热门文章排行
YZO系列振动电机
产品分类: 配件系列
YZO振动电机是动力源与振动源结合为一体的激振源,振动电机是在转子轴两端各安装一组可调偏心块,利用轴及偏心块高速旋转产生的离心力得到激振力。
订购热线:15516627803
产品介绍
YZO 振动电机是动力源与振动源结合为一体的激振源,振动电机是在转子轴两端各安装一组可调偏心块,利用轴及偏心块高速旋转产生的离心力得到激振力。
YZO振动电机的激振力利用率高、能耗小、噪音低、寿命长。振动电机的激振力可以无级调节,使用方便。可以应用于一般振动机械,如:振动破碎机、振动筛分机、振动打包机、振动造型机、振动打桩机、振动提升机、振动充填机、料仓的振动破拱防闭塞装置等等。
YZO系列振动电机的特点
1、振动力与出力配合得当,激振力大,机体重量轻,机械噪音低。
2、采用强阻型振动,具有稳定振幅。
3、激振力受电源、电压的波动影响较小。
4、密闭型设计,可在无防爆要求的环境下工作。
5、可根据振动电机的安装方式改变激振力的方向。
6、只需调节偏心块的夹角,就可以无极调整激振力和振幅。
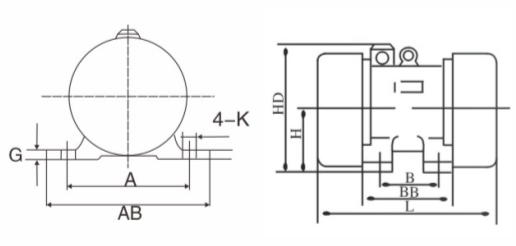
YZO系列振动电机安装图



JZO/YZO系列振动电机

上一篇:WZDS系列弹联激振器
下一篇:YZUL系列立式振动电机





